Описание
Характеристики
Отзывы
Описание
Если Вы хотите заказать изделие из нержавеющей стали, замените первые две цифры артикула с 60.... на 61....
Характеристики
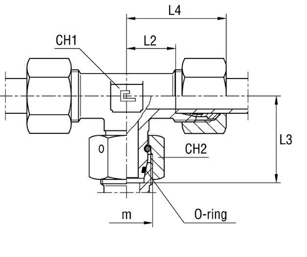
| Артикул | Бренд | CH1 | CH2 | CH3 | L1 (мм) | L2 (мм) | L3 | L4 | Ø трубы D1 | Ø трубы D2 | WP (bar) | Исполнение трубного соединения | резьба m D1 | резьба m D2 | Резьба ТС 1 | Резьба ТС 2 | серия | Стандарт ТС | Тип трубного соединения |
| 605010 | CAST | 27 | 36 | 36 | 35 | 27,5 | 38,5 | 44 | 22 | 22 | 250 | T-образный | 30x2 | 30x2 | M | M | L | Соединения 24° DIN 2353 | проходной/адаптер |
Характеристики
Бренд
CAST
D трубы M1 D1
22
WP (bar) рабочее давление
250
Исполнение трубного соединения
T-образный
Размер CH1
27
Размер CH2
36
Размер L1 (мм)
35
Размер L2 (мм)
27,5
Резьба ТС 1
M
Резьба ТС 2
M
Серия
L
Стандарт трубных соединений
Соединения 24° DIN 2353
Тип трубного соединения
проходной/адаптер
Размер L3
38,5
Размер резьбы 1
30x2
Размер L4
44
Размер CH3
36
D трубы M2 D2
22
Размер резьбы 2
30x2
Все характеристики
Отзывы
Отзывов еще никто не оставлял
