Описание
Характеристики
Отзывы
Описание
Если Вы хотите заказать изделие из нержавеющей стали, замените первые две цифры артикула с 30.... на 31....
Позиция доступна только в плановых заказах.
Для уплотнительных систем с омедненной прокладкой, обратитесь к нормам давления по позициям 3001...
Позиция доступна только в плановых заказах.
Для уплотнительных систем с омедненной прокладкой, обратитесь к нормам давления по позициям 3001...
Характеристики
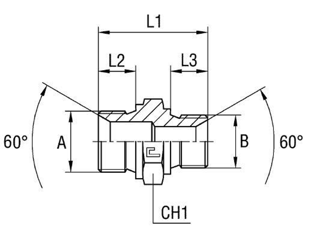
| Артикул | Бренд | A +0,13 -0,00 | B | CH1 | L1 (мм) | L2 (мм) | L3 | WP (bar) | Исполнение трубного соединения | Резьба ТС 1 | Резьба ТС 2 | серия | Стандарт ТС | Тип трубного соединения |
| 300705 | CAST | 1/4 | 14x1.5 | 19 | 33 | 11 | 12 | 400 | прямой | BSP | M | Универсальная | Соединения 60° BS-5200 | проходной/адаптер |
Характеристики
Бренд
CAST
WP (bar) рабочее давление
400
Исполнение трубного соединения
прямой
Размер CH1
19
Размер L1 (мм)
33
Размер L2 (мм)
11
Резьба ТС 1
BSP
Резьба ТС 2
M
Серия
Универсальная
Стандарт трубных соединений
Соединения 60° BS-5200
Тип трубного соединения
проходной/адаптер
Размер L3
12
Размер B
14x1.5
USIT Размер A +0,13 -0,00
1/4
Все характеристики
Отзывы
Отзывов еще никто не оставлял
