Описание
Характеристики
Отзывы
Описание
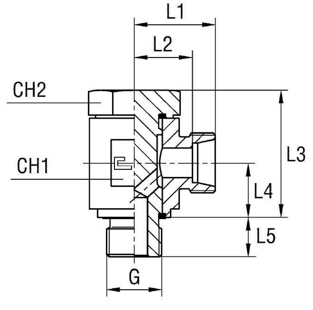
Если Вы хотите заказать фитинг из нержавеющей стали AISI 316, замените первые две цифры артикула с 10.... на 11....
Если Вы хотите заказать фитинг из нержавеющей стали AISI 316 с гайкой из нержавеющей стали AISI 304, замените первые две цифры артикула с 10.... на 14....
Вид Х - резиновое уплотнение. Вид Y - металлическое уплотнение.
Если Вы хотите заказать фитинг из нержавеющей стали AISI 316 с гайкой из нержавеющей стали AISI 304, замените первые две цифры артикула с 10.... на 14....
Вид Х - резиновое уплотнение. Вид Y - металлическое уплотнение.
Характеристики
| Артикул | Бренд | CH1 | CH2 | CH3 | L1 (мм) | L2 (мм) | L3 | L4 | L5 | L6 | Ø трубы D1 | WP (bar) | Вид | Исполнение трубного соединения | резьба G | Резьба ТС 1 | Резьба ТС 2 | серия | Стандарт ТС | Тип трубного соединения |
| 101317.1 | CAST | 27 | 24 | 24 | 26 | 18,5 | 38,5 | 16,5 | 12 | 35 | 12 | 400 | X | 90 град. | 3/8 | M | BSP | S | Соединения 24° DIN 2353 | banjo |
Характеристики
Бренд
CAST
D трубы M1 D1
12
WP (bar) рабочее давление
400
Исполнение трубного соединения
90 град.
Размер CH1
27
Размер CH2
24
Размер L1 (мм)
26
Размер L2 (мм)
18,5
Размер резьбы 5
3/8
Резьба ТС 1
M
Резьба ТС 2
BSP
Серия
S
Стандарт трубных соединений
Соединения 24° DIN 2353
Тип трубного соединения
banjo
Размер L3
38,5
Вид
X
Размер L4
16,5
Размер CH3
24
Размер L5
12
Размер L6
35
Все характеристики
Отзывы
Отзывов еще никто не оставлял
