Описание
Характеристики
Отзывы
Описание
Если Вы хотите заказать фитинг из нержавеющей стали AISI 316, замените первые две цифры артикула с 10.... на 11....
Если Вы хотите заказать фитинг из нержавеющей стали AISI 316 с гайкой из нержавеющей стали AISI 304, замените первые две цифры артикула с 10.... на 14....
Характеристики
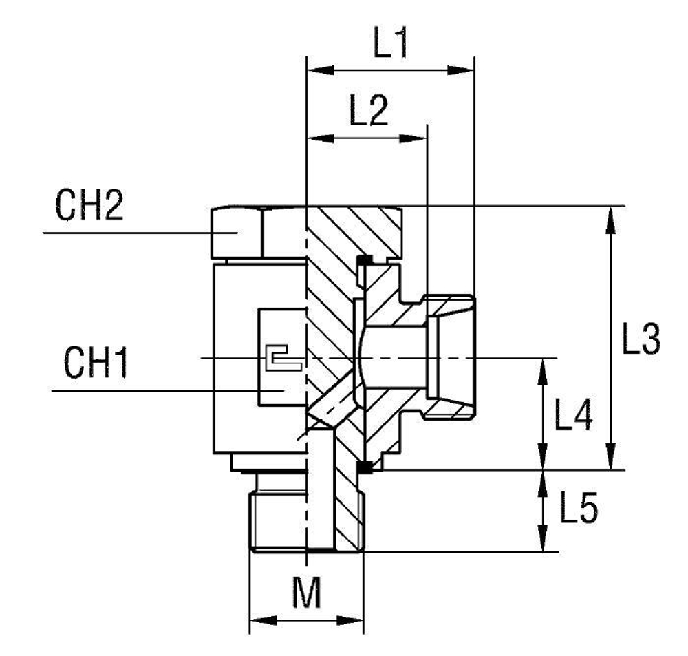
| Артикул | Бренд | CH1 | CH2 | CH3 | L1 (мм) | L2 (мм) | L3 | L4 | L5 | L6 | Ø трубы D1 | WP (bar) | Вид | Исполнение трубного соединения | резьба M | Резьба ТС 1 | Резьба ТС 2 | серия | Стандарт ТС | Тип трубного соединения |
| 101409.1 | CAST | 32 | 30 | 32 | 29 | 21,5 | 46,5 | 21,5 | 14 | 38 | 18 | 315 | X | 90 град. | 22x1.5 | M | M | L | Соединения 24° DIN 2353 | banjo |
Характеристики
Бренд
CAST
D трубы M1 D1
18
WP (bar) рабочее давление
315
Исполнение трубного соединения
90 град.
Размер CH1
32
Размер CH2
30
Размер L1 (мм)
29
Размер L2 (мм)
21,5
Размер резьбы 12
22x1.5
Резьба ТС 1
M
Резьба ТС 2
M
Серия
L
Стандарт трубных соединений
Соединения 24° DIN 2353
Тип трубного соединения
banjo
Размер L3
46,5
Вид
X
Размер L4
21,5
Размер CH3
32
Размер L5
14
Размер L6
38
Все характеристики
Отзывы
Отзывов еще никто не оставлял
