Описание
Характеристики
Отзывы
Описание
Если Вы хотите заказать фитинг из нержавеющей стали AISI 316, замените первые две цифры артикула с 10.... на 11....
Если Вы хотите заказать фитинг из нержавеющей стали AISI 316 с гайкой из нержавеющей стали AISI 304, замените первые две цифры артикула с 10.... на 14....
Характеристики
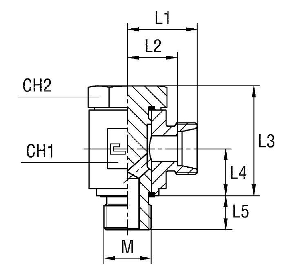
| Артикул | Бренд | CH1 | CH2 | CH3 | L1 (мм) | L2 (мм) | L3 | L4 | L5 | L6 | Ø трубы D1 | WP (bar) | Вид | Исполнение трубного соединения | резьба M | Резьба ТС 1 | Резьба ТС 2 | серия | Стандарт ТС | Тип трубного соединения |
| 101407.1 | CAST | 27 | 24 | 22 | 25 | 18 | 38,5 | 16,5 | 12 | 33 | 12 | 315 | X | 90 град. | 16x1.5 | M | M | L | Соединения 24° DIN 2353 | banjo |
Характеристики
Бренд
CAST
D трубы M1 D1
12
WP (bar) рабочее давление
315
Исполнение трубного соединения
90 град.
Размер CH1
27
Размер CH2
24
Размер L1 (мм)
25
Размер L2 (мм)
18
Размер резьбы 12
16x1.5
Резьба ТС 1
M
Резьба ТС 2
M
Серия
L
Стандарт трубных соединений
Соединения 24° DIN 2353
Тип трубного соединения
banjo
Размер L3
38,5
Вид
X
Размер L4
16,5
Размер CH3
22
Размер L5
12
Размер L6
33
Все характеристики
Отзывы
Отзывов еще никто не оставлял
