Описание
Характеристики
Отзывы
Описание
Характеристики
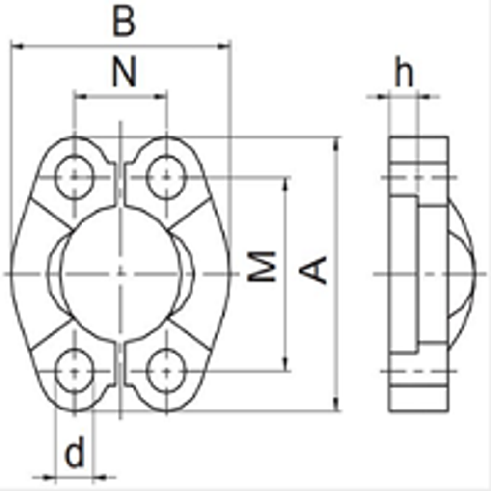
| Артикул | Бренд | A | B | d | h | M | M метр. | N | WP (bar) | Соед. дюйм | Стандарт фитинга/муфты | Тип фитинга |
| PM-AFS606B | POWERMASTER | 133 | 113.8 | 22 | 12 | 96.8 | M20x70 | 44.5 | 420 | 2 | Стандартный | SF (ФЛАНЕЦ) |
Характеристики
Бренд
POWERMASTER
WP (bar) рабочее давление
420
Стандарт фитинга/муфты для РВД
Стандартный
Тип фитинга для РВД
SF (ФЛАНЕЦ)
Размер соедин. фланца фитинги Тиеффе
2
A (для скоб STECK)
133
B (для скоб STECK)
113.8
d уплотнения для фланцев
22
h полуфланцы PM
12
M метр. полуфланцы PM
M20x70
M полуфланцы PM
96.8
N полуфланцы PM
44.5
Все характеристики
Отзывы
Отзывов еще никто не оставлял
